Skip to content
Due to Thanksgiving and the holiday rush, our current handling time is approximately 4–5 business days. We sincerely appreciate your patience and understanding. We truly appreciate your business and are thankful for another great year serving our customers. If you have any questions or concerns, please contact us—our team is working as hard as possible to ship all orders promptly.
Due to Thanksgiving and the holiday rush, our current handling time is approximately 4–5 business days. We sincerely appreciate your patience and understanding. We truly appreciate your business and are thankful for another great year serving our customers. If you have any questions or concerns, please contact us—our team is working as hard as possible to ship all orders promptly.

Kibblewhite Valve Keepers Kit OEM Head Guide Rebuild Yamaha YFZ450 YZ450F YFZ WR

Save 28% Save 28%
Original price $24.99
Original price $24.99 - Original price $24.99
Original price $24.99
Current price $17.94
$17.94 - $17.94
Current price $17.94

80-80715,1WG-12118-00-00, 1AA-12118-00-00

Yamaha YFZ450 2004 2005 2006 2007 2008 2009

Yamaha YFZ450R 2009 2010 2011 2012 2013 2014 2015 2016 2017 2018 2019 2020 2021 2022

Yamaha YFZ450X 2008 2009 2010 2011

Yamaha YFZ450SE 2010 2011 2012 2013 2014 2015 2016 2017 2018 2019 2020

Yamaha WR450 2003 2004 2005 2006 2007 2008 2009 2010 2011 2012 2013 2014 2015

Yamaha YZ450F 2003 2004 2005 2006 2007 2008 2009

Description:

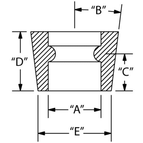
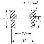
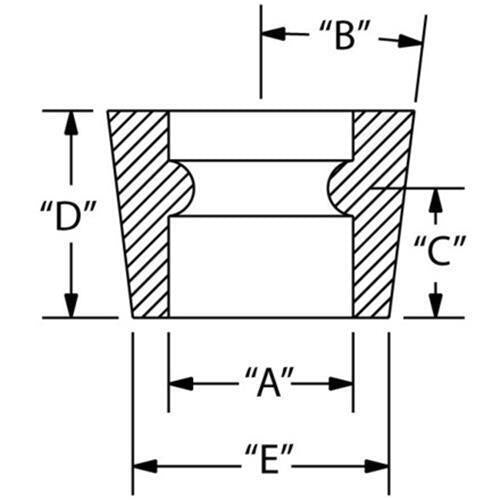
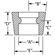
KPMI® manufactures keepers from high tensile strength H. T. Steel. Close attention to details such as taper angle, bead location, ID, OD, radius dimension of bead style keepers, and width of square groove style keepers ensure proper, repeatable fitment and assembly locations.

1WG-12118-00-00 / 1AA-12118-00-00 

Specs:

Type: Intake / Exhaust

Keeper Style: Single Radius Bead

Quantity: 3 Pair Intake Keepers / 2 Pair Exhaust Keepers

Intake Stem Diameter "A": 0.177"

Intake Keeper Angle "B": 6.0º

Intake Bead Height "C": 0.186"

Intake Overall Length "D": 0.221"

Intake Minor Diameter "E": 0.212"

Exhaust Stem Diameter "A": 0.196"

Exhaust Keeper Angle "B": 6.5º

Exhaust Bead Height "C": 0.181"

Exhaust Overall Length "D": 0.216"

Exhaust Minor Diameter "E": 0.270"

Note: The bead height is referenced from the minor diameter of the keeper to the center of the bead.

BPRATV - The Best Parts. The Best Performance. The Best Price.
BRAPPPPPPPPPP!

Compare products

{"one"=>"Select 2 or 3 items to compare", "other"=>"{{ count }} of 3 items selected"}

Select first item to compare

Select second item to compare

Select third item to compare

Compare